Шаровые краны типа JIP и полнопроходные JIP FB (до 180 °С) (продолжение)
- 25 февраля 2016 15:05:57
- Отзывов: 0
- Просмотров: 994
-

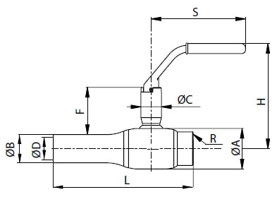
Код | DN, мм | А, мм | В, мм | RG, дюймы | D, мм | L, мм | Н, мм | F, мм | C, мм | S, мм | Mаcca, кг |
---|---|---|---|---|---|---|---|---|---|---|---|
PN 40 | |||||||||||
065N0900 | 15 | 42,4 | 21,3 | 1/2 | 15 | 160 | 125 | 60 | 25 | 115 | 0,9 |
065N0905 | 20 | 42,4 | 26,9 | 3/4 | 15 | 160 | 125 | 60 | 25 | 115 | 0,9 |
065N0910 | 25 | 48,3 | 33,7 | 1 | 20 | 165 | 125 | 55 | 25 | 115 | 1,0 |
065N0915 | 32 | 60,3 | 42,4 | 1 1⁄4 | 25 | 185 | 130 | 58 | 25 | 115 | 1,4 |
065N0920 | 40 | 76,1 | 48,3 | 1 1⁄2 | 32 | 195 | 170 | 86 | 35 | 157 | 2,3 |
065N0925 | 50 | 88,9 | 60,3 | 2 | 40 | 225 | 175 | 86 | 35 | 157 | 3,3 |

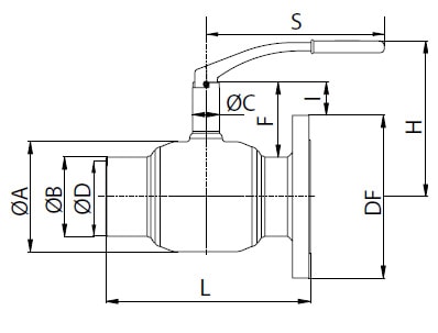
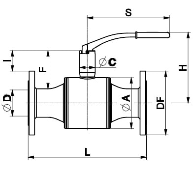
Код | DN, мм | А, мм | В, мм | D, мм | L, мм | DF, мм | I, мм | H, мм | F, мм | С, мм | S, мм | Mаcca, кг |
---|---|---|---|---|---|---|---|---|---|---|---|---|
PN 40 | ||||||||||||
065N0700 | 15 | 42,4 | 21,3 | 15 | 180 | 95 | 23 | 125 | 58 | 25 | 115 | 1,7 |
065N0705 | 20 | 42,4 | 26,9 | 15 | 190 | 105 | 19 | 125 | 58 | 25 | 115 | 2,0 |
065N0710 | 25 | 48,3 | 33.,7 | 20 | 195 | 115 | 15 | 125 | 57 | 25 | 115 | 2,4 |
065N0715 | 32 | 60,3 | 42,4 | 25 | 220 | 140 | 10 | 130 | 59 | 25 | 115 | 3,4 |
065N0720 | 40 | 76,1 | 48,.З | 32 | 230 | 150 | 35 | 170 | 86 | 35 | 165 | 4,3 |
065N0725 | 50 | 88.9 | 60,3 | 40 | 265 | 165 | 35 | 180 | 86 | 35 | 165 | 5,9 |
PN 16 | ||||||||||||
065N4284 | 65 | 102 | 76,1 | 50 | 265 | 185 | 18 | 160 | 73 | 35 | 205 | 7 |
065N4289 | 80 | 127 | 88,9 | 65 | 275 | 200 | 33 | 190 | 88 | 39 | 260 | 9 |
065N0540 | 100 | 159 | 114,3 | 80 | 295 | 220 | 56 | 225 | 108 | 39 | 260 | 15 |
065N0960 | 125 | 194 | 139,7 | 100 | 320 | 250 | 54 | 250 | 109 | 44 | 355 | 23 |
065N0965 | 150 | 219 | 168,3 | 125 | 345 | 285 | 51 | 285 | 109 | 49 | 505 | 35 |
065N0970 | 200 | 273 | 219,1 | 150 | 395 | 340 | 66 | 315 | 126 | 60 | 650 | 65 |
PN 25 | ||||||||||||
065N4283 | 65 | 102 | 76,1 | 50 | 265 | 185 | 18 | 165 | 73 | 35 | 205 | 7 |
065N4288 | 80 | 127 | 88,9 | 65 | 275 | 200 | 33 | 195 | 88 | 39 | 260 | 9 |
065N0640 | 100 | 159 | 114,3 | 80 | 295 | 235 | 48 | 225 | 108 | 39 | 260 | 15 |
065N0975 | 125 | 194 | 139,7 | 100 | 320 | 270 | 44 | 215 | 109 | 44 | 355 | 23 |
065N0980 | 150 | 219 | 168,3 | 125 | 345 | 300 | 43 | 230 | 109 | 49 | 505 | 35 |
065N0985 | 200 | 273 | 219,1 | 150 | 395 | 360 | 56 | 260 | 126 | 60 | 650 | 65 |

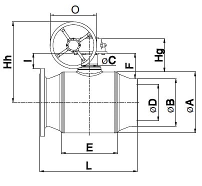
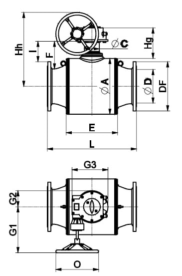
Код | DN, мм | А, мм | B, мм | D, мм | L, мм | DF, мм | I, мм | Hh, мм | Hg, мм | Е, мм | F, мм | С, мм | О, мм | Mаcca, кг | |
---|---|---|---|---|---|---|---|---|---|---|---|---|---|---|---|
С редукторным приводом | С фланцем под привод | ||||||||||||||
PN 16 | |||||||||||||||
- | - | 125 | 194 | 139,7 | 100 | 320 | 250 | 54 | 345 | 175 | 165 | 109 | 44 | 200 | - |
065N0551 | 065N0552 | 150 | 219 | 168,3 | 125 | 345 | 285 | 51 | 365 | 186 | 205 | 109 | 49 | 200 | - |
065N0556 | 065N0557 | 200 | 273 | 219,1 | 150 | 395 | 340 | 66 | 390 | 180 | 245 | 126 | 60 | 200 | - |
065N0561 | 065N0562 | 250 | 356 | 273,0 | 200 | 590 | 405 | 115 | 585 | 242 | 340 | 181 | 88 | 400 | 146 |
065N0566 | 065N0567 | 300 | 457 | 323,9 | 250 | 705 | 460 | 131 | 635 | 261 | 400 | 199 | 100 | 400 | 201 |
065N0571 | 065N0572 | 350 | 457 | 355,6 | 250 | 805 | 520 | 101 | 635 | 261 | 400 | 183 | 100 | 400 | 275 |
065N0576 | 065N0577 | 400 | 521 | 406,4 | 300 | 960 | 580 | 130 | 690 | 287 | 480 | 217 | 140 | 400 | 423 |
065N0578 | 065N0579 | 450 | 711 | 457.2 | 400 | 1310 | 640 | 206 | 855 | 304 | 690 | 297 | 168 | 500 | 919 |
065N0581 | 065N0582 | 500 | 711 | 508,0 | 400 | 1310 | 715 | 169 | 855 | 304 | 690 | 272 | 168 | 500 | 929 |
PN 25 | |||||||||||||||
- | - | 125 | 194 | 139,7 | 100 | 385 | 270 | 44 | 345 | 175 | 165 | 109 | 44 | 200 | - |
065N0651 | 065N0652 | 150 | 219 | 168,3 | 125 | 415 | 300 | 43 | 365 | 186 | 205 | 109 | 49 | 200 | - |
065N0656 | 065N0657 | 200 | 273 | 219,1 | 150 | 470 | 360 | 56 | 390 | 180 | 245 | 126 | 60 | 200 | - |
065N0661 | 065N0662 | 250 | 356 | 273,0 | 200 | 620 | 425 | 105 | 585 | 242 | 340 | 181 | 88 | 400 | 146 |
065N0666 | 065N0667 | 300 | 457 | 323,9 | 250 | 750 | 485 | 119 | 635 | 261 | 400 | 199 | 100 | 400 | 201 |
065N0671 | 065N0672 | 350 | 457 | 355,6 | 250 | 860 | 555 | 84 | 635 | 261 | 400 | 183 | 100 | 400 | 275 |
065N0676 | 065N0677 | 400 | 521 | 406,4 | 300 | 930 | 620 | 110 | 690 | 287 | 480 | 217 | 140 | 400 | 423 |
065N0678 | 065N0679 | 450 | 711 | 457.2 | 400 | 1330 | 670 | 191 | 855 | 304 | 690 | 297 | 168 | 500 | 919 |
065N0681 | 065N0682 | 500 | 711 | 508,0 | 400 | 1345 | 730 | 160 | 855 | 304 | 690 | 272 | 168 | 500 | 929 |

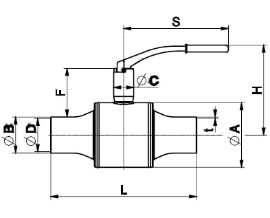
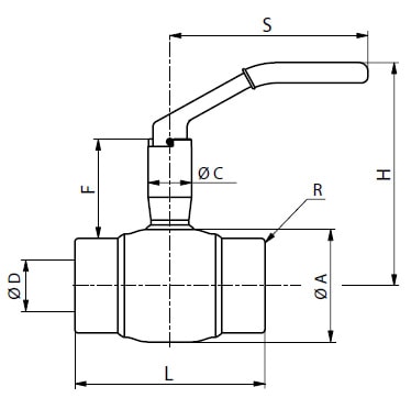
Код | DN, мм | ØА, мм | t, мм | ØB, мм | ØD, мм | L, мм | H, мм | F, мм | ØC, мм | S, мм |
---|---|---|---|---|---|---|---|---|---|---|
PN 40 | ||||||||||
065N0100 | 15 | 42,4 | 2,6 | 21,3 | 15 | 230 | 125 | 58 | 24,5 | 115 |
065N1105 | 20 | 48,3 | 2,6 | 26,9 | 20 | 220 | 125 | 60 | 24,5 | 115 |
065N1110 | 25 | 60,3 | 2,6 | 33,7 | 25 | 240 | 130 | 61 | 24,5 | 115 |
065N1115 | 32 | 76,1 | 2,6 | 42,4 | 32 | 270 | 170 | 90 | 35 | 157 |
065N1120 | 40 | 88,9 | 2,6 | 48,3 | 40 | 275 | 175 | 92 | 35 | 157 |
065N1125 | 50 | 114,3 | 2,9 | 60,3 | 50 | 320 | 190 | 108 | 45 | 205 |
PN 25 | ||||||||||
065N1130 | 65 | 133 | 2,9 | 76,1 | 65 | 280 | 210 | 113 | 49 | 257 |
065N1135 | 80 | 159 | 3,2 | 88,9 | 80 | 360 | 225 | 120 | 49 | 257 |
065N1740 | 100 | 193,7 | 3,6 | 114,3 | 100 | 315 | 245 | 136 | 60 | 360 |
065N1745 | 125 | 219,1 | 4 | 139,7 | 125 | 355 | 295 | 146 | 60 | 655 |
065N1751 | 150 | 273 | 4,5 | 168,3 | 150 | 375 | 315 | 152 | 60 | 655 |

Код | DN, мм | ØА, мм | ØD, мм | H, мм | F, мм | ØC, мм | S, мм | L, мм | DF, мм | I, мм |
---|---|---|---|---|---|---|---|---|---|---|
PN 40 | ||||||||||
065N0300 | 15 | 42,4 | 15 | 125 | 58 | 24,5 | 115 | 130 | 95 | 23 |
065N1305 | 20 | 48,3 | 20 | 125 | 60 | 24,5 | 115 | 150 | 105 | 21 |
065N1310 | 25 | 60,3 | 25 | 130 | 61 | 24,5 | 115 | 160 | 115 | 20 |
065N1315 | 32 | 76,1 | 32 | 170 | 90 | 35 | 157 | 180 | 140 | 40 |
065N1320 | 40 | 88,9 | 40 | 175 | 92 | 35 | 157 | 200 | 150 | 41 |
065N1325 | 50 | 114,3 | 50 | 190 | 108 | 45 | 205 | 230 | 165 | 56 |
PN 16 | ||||||||||
065N1230 | 65 | 133 | 65 | 210 | 113 | 49 | 257 | 290 | 185 | 59 |
065N1235 | 80 | 159 | 80 | 225 | 120 | 49 | 257 | 370 | 200 | 64 |
065N1840 | 100 | 193,7 | 100 | 245 | 136 | 60 | 360 | 325 | 220 | 83 |
065N1845 | 125 | 219,1 | 125 | 295 | 146 | 60 | 655 | 365 | 250 | 91 |
065N1851 | 150 | 273 | 150 | 315 | 152 | 60 | 655 | 385 | 285 | 94 |
PN 25 | ||||||||||
065N1330 | 65 | 133 | 65 | 210 | 113 | 49 | 257 | 290 | 185 | 59 |
065N1335 | 80 | 159 | 80 | 225 | 120 | 49 | 257 | 310 | 200 | 64 |
065N1940 | 100 | 193,7 | 100 | 245 | 136 | 60 | 360 | 325 | 235 | 76 |
065N1945 | 125 | 219,1 | 125 | 295 | 146 | 60 | 655 | 490 | 270 | 81 |
065N1951 | 150 | 273 | 150 | 315 | 152 | 60 | 655 | 510 | 300 | 86 |

Код | DN, мм | ØА, мм | t, мм | ØB, мм | ØD, мм | L, мм | Hh, мм | Hg, мм | E, мм | F, мм | ØC, мм | O, мм | G1, мм | G2, мм | G3, мм | |
---|---|---|---|---|---|---|---|---|---|---|---|---|---|---|---|---|
С редукторным приводом | С фланцем под привод | |||||||||||||||
PN 25 | ||||||||||||||||
065N1151 | 065N1152 | 150 | 273 | 4,5 | 168,3 | 150 | 375 | 385 | 325 | 240 | 152 | 60 | 200 | 257 | 75 | 190 |
065N1156 | 065N1157 | 200 | 355,6 | 6,3 | 219,1 | 200 | 485 | 585 | 430 | 340 | 209 | 87 | 400 | 330 | 100 | 244 |
065N1161 | 065N1162 | 250 | 457 | 6,3 | 273 | 250 | 595 | 635 | 500 | 400 | 225 | 100 | 400 | 397 | 141 | 329 |
065N1166 | 065N1167 | 300 | 521 | 8 | 323,9 | 300 | 740 | 690 | 556 | 480 | 258 | 139,7 | 400 | 429 | 150 | 336 |
065N1176 | 065N1177 | 400 | 711 | 8,8 | 406,4 | 400 | 1030 | 855 | 668 | 690 | 322 | 168,3 | 500 | 460 | 188 | 410 |

Код | DN, мм | ØА, мм | ØD, мм | Hh, мм | Hg, мм | E, мм | F, мм | ØC, мм | O, мм | G1, мм | G2, мм | G3, мм | L, мм | DF, мм | I, мм | |
---|---|---|---|---|---|---|---|---|---|---|---|---|---|---|---|---|
С редукторным приводом | С фланцем под привод | |||||||||||||||
PN 16 | ||||||||||||||||
065N1251 | 065N1252 | 150 | 273 | 150 | 385 | 325 | 240 | 152 | 60 | 200 | 257 | 75 | 190 | 385 | 285 | 94 |
065N1256 | 065N1257 | 200 | 355,6 | 200 | 585 | 430 | 340 | 209 | 87 | 400 | 330 | 100 | 244 | 495 | 340 | 148 |
065N1261 | 065N1262 | 250 | 457 | 250 | 635 | 500 | 400 | 225 | 100 | 400 | 397 | 141 | 329 | 720 | 405 | 158 |
065N1266 | 065N1267 | 300 | 521 | 300 | 690 | 556 | 480 | 258 | 139,7 | 400 | 429 | 150 | 336 | 835 | 460 | 190 |
065N1276 | 065N1277 | 400 | 711 | 400 | 885 | 668 | 690 | 322 | 168,3 | 500 | 460 | 188 | 410 | 1100 | 580 | 235 |
PN 25 | ||||||||||||||||
065N1351 | 065N1352 | 150 | 273 | 150 | 385 | 325 | 240 | 152 | 60 | 200 | 257 | 75 | 190 | 510 | 300 | 86 |
065N1356 | 065N1357 | 200 | 355,6 | 200 | 585 | 430 | 340 | 209 | 87 | 400 | 330 | 100 | 244 | 635 | 360 | 138 |
065N1361 | 065N1362 | 250 | 457 | 250 | 635 | 500 | 400 | 225 | 100 | 400 | 397 | 141 | 329 | 720 | 425 | 149 |
065N1366 | 065N1367 | 300 | 521 | 300 | 690 | 556 | 480 | 258 | 139,7 | 400 | 429 | 150 | 336 | 835 | 485 | 178 |
065N1376 | 065N1377 | 400 | 711 | 400 | 885 | 668 | 690 | 322 | 168,3 | 500 | 460 | 188 | 410 | 1100 | 620 | 215 |

Код | DN, мм | ØА, мм | ØD, мм | H, мм | ØC, мм | S, мм | L, мм | F, мм | R, мм |
---|---|---|---|---|---|---|---|---|---|
PN 40 | |||||||||
065N1805 | 20 | 48,3 | 20 | 125 | 25 | 115 | 105 | 55 | 3/4” |
065N1810 | 25 | 60,3 | 25 | 130 | 25 | 115 | 105 | 55 | 1” |
065N1815 | 32 | 76,1 | 32 | 170 | 35 | 157 | 105 | 80 | 11/4” |
065N1820 | 40 | 88,9 | 40 | 175 | 35 | 157 | 150 | 79 | 11/2” |
065N1825 | 50 | 114,3 | 50 | 190 | 45 | 205 | 215 | 101 | 2” |