Реле давления Grundfos PM 2 используется для управления насосом по потреблению воды и/или понижению давления воды в системе. При наличии потребления воды и понижении давления до установленного: от 1,5 до 5 Бар (15 и50 метров водного столба соответственно) реле дает сигнал на включение насоса, при прекращении разбора воды реле отключает насос. Доступен режим включения/отключения по избыточному давлению (при наличии мембранного бака большого объема).
Реле давления Grundfos PM 2 также выполняет функцию защиты от «сухого хода», что позволяет отключить насос при пропадании воды. PM 2 имеет компактные размеры и может быть смонтировано прямо на насосе, для удобства монтажа выпускной патрубок прокручивается, что позволяет не использовать «американку». Реле укомплектовано сетевым кабелем с вилкой и розеткой, что максимально упрощает подключение. На устройстве предусмотрена индикация питания, работы и аварии, фактического давления в сети, а также кнопка перезапуска.
Особенности устройства:
- Функция защиты от «сухого хода»
- Функция антицикличности
- Подключение 1 дюйм наружная резьба
- Индикация работы и аварии
- Произвольное положение при установке
- Встроенный обратный клапан
Схемы с использованием реле PM 2 идеально подходят для случаев, когда водоснабжение осуществляется с городской сети, но при этом давления воды без дополнительного насоса не хватает или вода часто пропадает. Также реле необходимо там, где есть опасность работы «по сухому».
    № продукта: 96848740
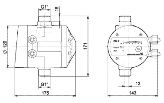
PM-2 габаритный чертеж
 
| Технические данные | |
| Давление включения | 1,5 до 5 Бар | 
| Кабель | 1,5 метра | 
| Класс защиты | IP 65 | 
| Максимальная температура окружающей среды | 50°С | 
| Максимальная температура перекачиваемой жидкости | 40°С | 
| Подключение | 1 дюйм наружная резьба | 
| Рабочий ток | до 10 А | 
| Напряжение | 1*220 | 
Реле давления Grundfos PM 2
- Производитель: Grundfos
- Модель: Grundfos PM 2 96848740
- Наличие: Есть в наличии
- 
              Цена: 10547 грн. с НДС 
Узнать скидку
(067)114-21-23
Способы доставки:
- * Новая Почта;
- * SAT;
- * Самовывоз.
Способы оплаты:
- * Безналичный с НДС;
- * Наложенный платеж;
- * На карту Приват Банк;
- * При получении;
- * LiqPay.
Условия возврата:
- * В течение 14 дней;
- * По договоренности.

