Снято с производства! Замена - Grundfos Multilift MSS 11.3.2
Grundfos Multilift MSS 12.3.4 - комплектная канализационная станция напольного исполнения исключительной надежности.
Станция состоит из насоса, смонтированного на полиэтиленовой емкости с герметичными соединениями, блока датчиков уровня, пульта управления LC 109 с переключателем режимов и индикацией работы и аварии, напорного патрубка с обратным клапаном. Для врезки подводящих труб в станцию на корпусе емкости отформованы подсоединения, таким образом, при монтаже можно выбрать один из или несколько вариантов подключения.
Станция доступна в однофазном Grundfos Multilift MSS 12.1.4 и трехфазном Grundfos Multilift MSS 12.3.4 исполнениях.
    Область применения
      Водоотведение в зданиях, канализационные системы которых находятся ниже уровня самотечного коллектора:
- Коттеджи
- Дачи
- Небольшие гостиницы
- Рестораны и пабы
- Офисные помещения
- Административные и жилые здания
Особенности и преимущества:
- Комплектная поставка, станция готова к подключению.
- Выносной пульт с индикацией работы, аварии, уровня заполнения резервуара.
- Выбор режимов работы, возможность подключение к системе диспетчеризации (аварийная сигнализация).
- Ударопрочный резервуар из полиэтилена высокой плотности.
- Низкий риск засорения благодаря большему условному проходу.
- Простота в обслуживании и исключительная надежность.
№ продукта: 96610039
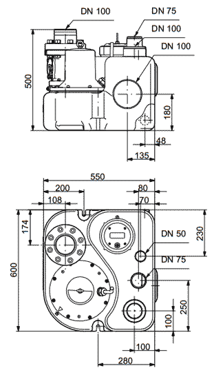
MSS-12-3 габаритный чертеж

| Технические данные | |
| Габариты | 600*550*500 | 
| Емкость резервуара | 66 литров | 
| Комплектность | насосная станция | 
| Наличие измельчителя | без ножа | 
| Напорный патрубок | DN80 с переходным фланцем на DN100 | 
| Подача | 36 м3/ч | 
| Потребляемая мощность | 1,6/1,2 кВт | 
| Размеры подводящих патрубков | DN80/DN100 | 
| Температура среды | от 0° С до +40°С | 
| Напор | до 8 метров | 
| Напряжение | 3*400 | 
Канализационная насосная станция Grundfos Multilift MSS 12.3.4
- Производитель: Grundfos
- Модель: Multilift MSS 12.3.4
- Наличие: Нет в наличии
- 
              Цена: 0 грн. с НДС 
Узнать скидку
(067)114-21-23
Способы доставки:
- * Новая Почта;
- * SAT;
- * Самовывоз.
Способы оплаты:
- * Безналичный с НДС;
- * Наложенный платеж;
- * На карту Приват Банк;
- * При получении;
- * LiqPay.
Условия возврата:
- * В течение 14 дней;
- * По договоренности.

