Шаровые краны типа JIP (до 150 °С)

Краны шаровые широко применяются для систем отопления и охлаждения, они работают при температуре не выше 150 градусов Цельсия. Их используют в системах, для которых применяется специальная обработанная вода, препятствующая образованию коррозии. Такие изделия изготавливаются из самых надежных материалов, они имеют сварной корпус. Во время их применения нет необходимости использовать специальные навыки и знания, поскольку это довольно простой и доступный процесс. Предварительно перед выпуском в производство каждый такой образец проходит основательное тестирование, что свидетельствует о его надежности и высокой функциональности. Рабочей средой для них является вода. К продукции прилагаются соответствующие сертификаты качества.
Шаровые краны JIP достаточно активно используются для систем отопления и централизованного теплового снабжения. Рабочее давление при температуре не превышающей 150 градусов – до 25 бар. Конструкции таких изделий оснащены специальными возможностями для установки штока, что гарантирует полную надежность функциональности такого образца даже в случае превышения нормы оптимального давления. Изделия не подвергаются коррозии и другим негативным изменениям, способным привести к разрушению и соответственно к выходу из строя всей системы. Благодаря данному качеству монтируемые с помощью таких кранов системы отличаются долговечностью и надежностью.
Важно перед монтажом кранов основательно проверить их надежность, герметичность. Для этого можно использовать специальное стендовое оборудование. Шаровые образцы, оснащенные рукояткой, особенно удобны для использования в процессе эксплуатации. Данная трубопроводная арматура гарантирует полную функциональность трубопровода и долговечность его эксплуатации. С помощью шаровых кранов можно в полной мере заменить пробкосальниковые образцы и всевозможные вентили. В числе положительных моментов следует отметить простоту и доступность их использования, отменную герметичность, стойкость в отношении к воздействию температур, долговечность эксплуатации.
Управлять шаровыми кранами достаточно просто, для этого необходимо осуществить поворот на 90 градусов. При нескольких полных оборотах маховика осуществляется закрытие клапана. Устранение утечки рабочей среды обеспечивается благодаря высокой герметичности таких изделий. Их применяют в качестве запортной арматуры для газов, паров и жидкостей.
Для систем отопления и централизованного теплоснабжения
- спроектированы для применения в системах централизованного теплоснабжения;
- имеют полностью стальной сварной корпус;
- шар изготовлен из нержавеющей стали;
- каждый кран протестирован;
- не нуждается в техническом обслуживании
Технические данные
- Соединение: см. таблицы
- Рабочее давление: РN 25
- Температура: 0...+150 °С
- Рабочая среда: циркуляционная вода, раствор гликоля до 50 %
- Сертификаты: DANFOSS A/S сертифицирован в соответствии с ISO 9001 и удовлетворяют CE-PED, кроме того, сертифицирован в соответствии c ISO 14001 и OHSAS 18001

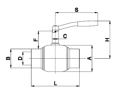
| Код | DN, мм | A, мм | B, мм | D, мм | L, мм | H, мм | E, мм | F, мм | C, мм | S, мм | Масса, кг |
|---|---|---|---|---|---|---|---|---|---|---|---|
| PN 25 | |||||||||||
| 065N0094 | 15 | 42,4 | 21,3 | 15 | 230 | 120 | - | 61 | 25 | 115 | 1,0 |
| 065N0104 | 20 | 42,4 | 26,9 | 15 | 230 | 120 | 58 | 25 | 115 | 1,0 | |
| 065N0114 | 25 | 48,3 | 33,7 | 20 | 230 | 125 | - | 56 | 25 | 115 | 1,2 |
| 065N0119 | 32 | 60,3 | 42,4 | 25 | 260 | 130 | - | 56 | 25 | 115 | 1,5 |
| 065N0123 | 40 | 76,1 | 48,3 | 32 | 260 | 130 | - | 54 | 35 | 165 | 2,3 |
| 065N0124 | 50 | 76,1 | 60,3 | 40 | 300 | 137 | - | 54 | 35 | 165 | 2,8 |
| 065N4277 | 65 | 102 | 76,1 | 50 | 260 | 165 | 100 | 73 | 35 | 210 | 3,8 |
| 065N4290 | 80 | 127 | 88,9 | 65 | 270 | 195 | 110 | 88 | 39 | 260 | 5,6 |
| 065N0739 | 100 | 159 | 114,3 | 80 | 290 | 225 | 135 | 108 | 39 | 260 | 8,6 |
| 065N0746 | 125 | 194 | 139,7 | 100 | 315 | 215 | 165 | 109 | 44 | 350 | 14 |
| 065N0154 | 150 | 219 | 168,3 | 125 | 340 | 230 | 205 | 109 | 49 | 630 | 24 |
| 065N0756 | 200 | 273 | 219,1 | 150 | 390 | 260 | 243 | 116 | 60 | 650 | 44 |

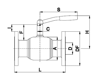
| Код | DN, мм | A, мм | D, мм | L, мм | DF, мм | I, мм | H, мм | E, мм | F, мм | C, мм | S, мм | Масса, кг |
|---|---|---|---|---|---|---|---|---|---|---|---|---|
| PN 25 | ||||||||||||
| 065N0304 | 15 | 42,4 | 15 | 130 | 95 | 21 | 120 | 58 | 25 | 115 | 2,2 | |
| 065N0309 | 20 | 42,4 | 15 | 150 | 105 | 19 | 120 | - | 58 | 25 | 115 | 2,9 |
| 065N0318 | 25 | 48,3 | 20 | 160 | 115 | 30 | 125 | - | 70 | 25 | 115 | 3,5 |
| 065N0319 | 32 | 60,3 | 25 | 180 | 140 | 23 | 140 | - | 72 | 25 | 115 | 4,8 |
| 065N0323 | 40 | 76,1 | 32 | 200 | 150 | 36 | 150 | - | 87 | 35 | 165 | 6,5 |
| 065N0328 | 50 | 88,9 | 40 | 230 | 165 | 36 | 180 | - | 88 | 35 | 165 | 8,7 |
| 065N4279 | 65 | 102 | 50 | 290 | 185 | 18 | 165 | 100 | 73 | 35 | 210 | 10 |
| 065N4292 | 80 | 127 | 65 | 310 | 200 | 33 | 195 | 110 | 88 | 39 | 260 | 13 |
| 065N0839 | 100 | 159 | 80 | 350 | 235 | 48 | 225 | 135 | 108 | 39 | 260 | 21 |
| 065N0846 | 125 | 194 | 100 | 400 | 270 | 44 | 215 | 165 | 109 | 44 | 350 | 32 |
| 065N0851 | 150 | 219 | 125 | 480 | 300 | 43 | 235 | 205 | 109 | 49 | 505 | 46 |
| 065N0854 | 200 | 273 | 150 | 600 | 360 | 56 | 260 | 255 | 126 | 60 | 650 | 61 |
